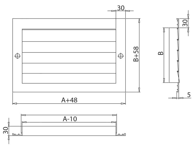
Решетка инерционная является наружной вытяжной решеткой и выполняет дополнительно функции обратного клапана. Она защищает вентиляционную систему от попадания в неё осадков и посторонних предметов; не допускает движения воздуха в системе при отключенном вентиляторе.
Решетки состоят из рамы с установленными в неё облегченными подвижными жалюзи, открывающимися под напором воздуха.
Решетки изготавливаются из алюминиевого профиля и окрашиваются порошковой полиэфирной краской. Стандартный цвет — белый RAL9016. Также возможно окрашивание в любой цвет согласно каталогу RAL.
Решетки монтируются исключительно с помощью винтового соединения (монтажные отверстия расположены на лицевой стороне рамки) для обеспечения надежного закрепления решетки на воздуховоде или строительной конструкции.
Площадь свободного сечения решеток зависит от степени открытия жалюзи и может быть принята как 80-85% от площади сечения воздуховода с размерами решетки.

Фильтр по заголовку     Количество строк:  
Заголовок материала Автор Хиты
 

Кто на сайте

Сейчас 25 гостей онлайн

Авторизация