
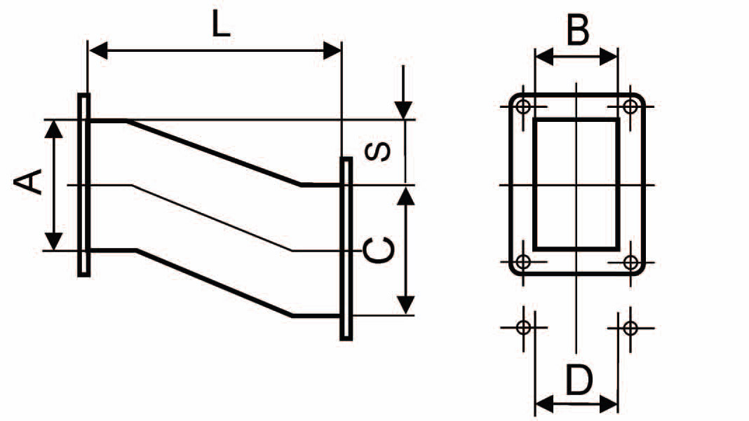
Прямоугольные оцинкованные утки относятся к нестандартным фасонным изделиям, поэтому стоимость каждой детали расчитывается индивидуально. Оцинкованные утки предназначены для поворота сечения воздуховода в той же плоскости расположения сечения.


Прямоугольные оцинкованные утки относятся к нестандартным фасонным изделиям, поэтому стоимость каждой детали расчитывается индивидуально. Оцинкованные утки предназначены для поворота сечения воздуховода в той же плоскости расположения сечения.
